My Cart
Text Us At: 360-736-2158
Customer Service Available Monday-Friday 6am-4pm Pacific
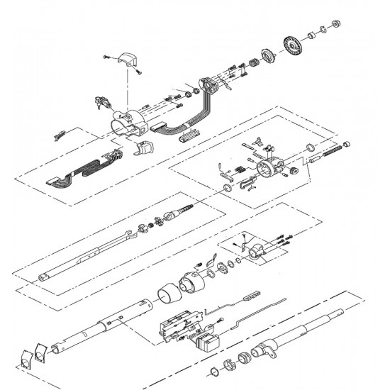
26045985 - Column Asm - Steering (Tilt)
The state of California requires that this warning be posted for people purchasing products that reside in California.
WARNING: Products may contain one or more chemicals known in the State of California to cause cancer and/or birth defects or other reproductive harm. For more information, visit www.P65Warnings.ca.gov
